设为首页 | 加入收藏 | 帮助中心 | 站内地图 |
  • 全部
  • 新闻
  • 下载
  • 订绘
  • 供应
  • 求购
  • 专利
  • 技术
关键词: 房地产开发 房地产土地开发 图纸 暖通 住宅
您当前位置:图纸交易网 >> 图纸供应 >> 浏览供应
图纸供应推荐
图纸供应热门
联系我们
  • 咨询:1640400212 合作:33527998
  • VIP群:25152793
  • (VIP会员图纸买卖交流加群报ID)
  • 电话:13775238533(7*24小时)
  • 邮箱:maitu@maitu.cc
减速机械图纸
图纸类型:
适用行业:
日期:
图纸搜索:
  • 图纸类型:CAXA图纸
  • 适用行业:机械行业
  • 刊登时间:2019年09月12日
  • 图纸价格:可面议
  • 有 效 期:长期
  • 地 区:湖南省 ---
  • 发布图纸供应信息
图纸介绍

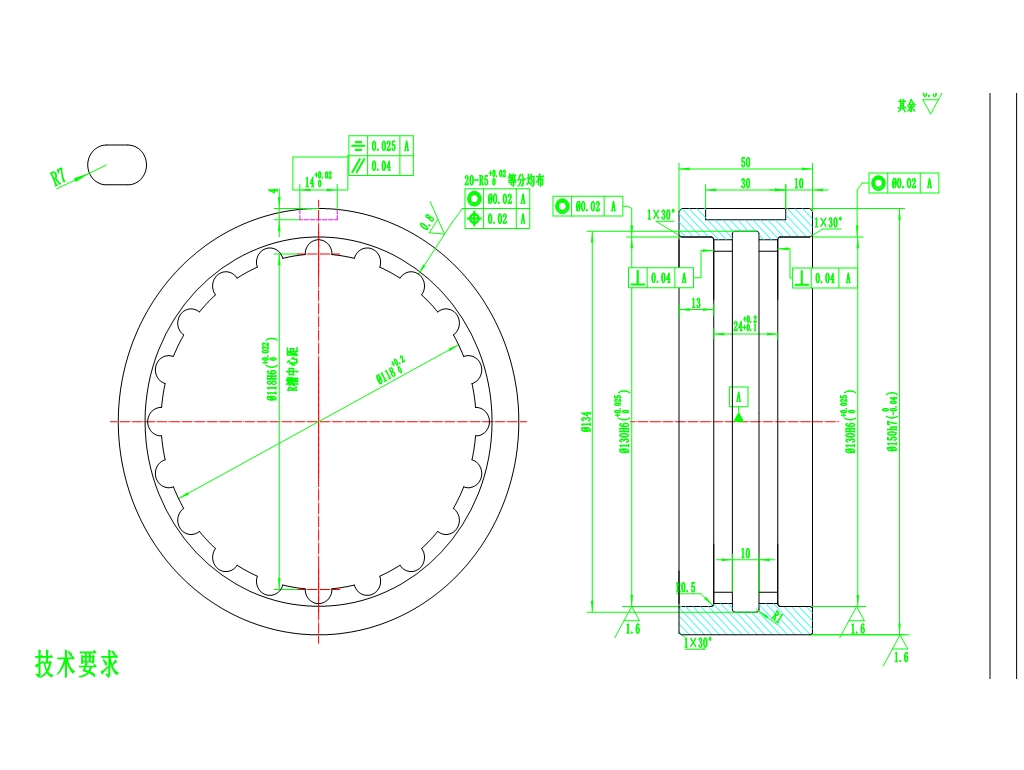
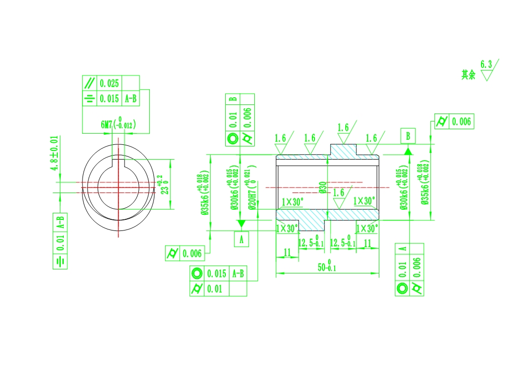
减速机械图纸减速机械图纸减速机械图纸电机轴与中心输入轴连接,电机转动,带动输入轴中间成对称180度均布的偏心轮转动,偏心轮的外圆周上安装有无外圈滚柱轴承,滚柱轴承的滚柱与摆线片内孔配合,从而推动摆线片做摆线运动,摆线片的外圆周均布有N个RV齿。外圈的内孔均布有N+1个圆柱滚子,圆柱滚子与RV齿啮合。摆线片的运动受圆柱滚子限制,是摆线片做绕中心的回转运动。电机旋转一圈,摆线片反向转动一个RV齿,实现减速运动。其减速运动通过与输出法兰和支撑法兰固联的传力销传递给输出法兰。